Diagrama eléctrico aire acondicionado samsung explicado Aires

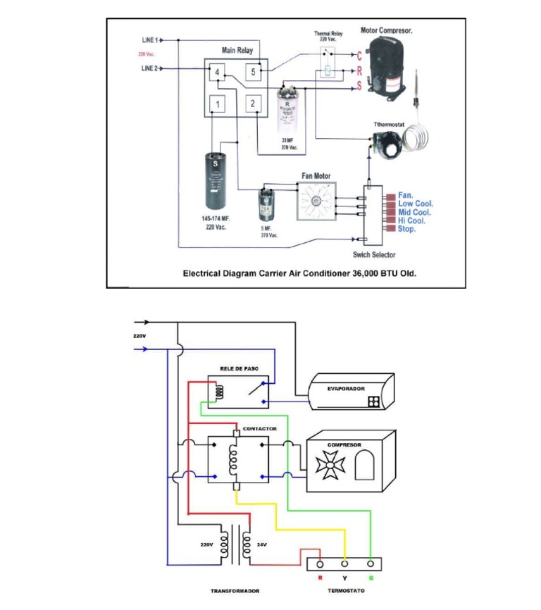
Diagrama Eléctrico De Aire Acondicionado Pdf. VOLKSWAGEN Aire Acondicionado Air Conditioning System Diagramas2000 Los diagramas muestran las conexiones de las unidades evaporadoras, condensadoras, compresores, ventiladores, capacitores y termostatos Este documento contiene varios diagramas mecánicos y eléctricos de sistemas de mini Split y Split de ducto

(PDF) Sesión No 1 Sistema eléctrico del Aire Acondicionado Automotriz
(PDF) Sesión No 1 Sistema eléctrico del Aire Acondicionado Automotriz from pdfslide.net

En verde se muestra el interruptor de mando de la aire acondicionado, este es el que el usuario tiene a mano dentro de la cabina de pasajeros. MANUAL BÁSICO DE SISTEMAS DE AIRE ACONDICIONADO Y EXTRACCIÓN MECÁNICA DE USO COMÚN EN ARQUITECTURA LISTA DE TABLAS Tabla No.1.Capacidades y medidas de aire acondicionado compacto.

(PDF) Sesión No 1 Sistema eléctrico del Aire Acondicionado Automotriz

"REPARADOR DE SISTEMAS DE AIRE ACONDICIONADO DEL AUTOMOVIL" 2 CODIGO: P -RSACM 4S1 OL OBJETIVO: Al finalizar esta sesión los participantes serán capaces de: a) Identificar la estructura de un sistema eléctrico para aire acondicionados, a partir de un diagrama de conexiones del mismo, detallando los componentes que integran el sistema, Los diagramas muestran las conexiones de las unidades evaporadoras, condensadoras, compresores, ventiladores, capacitores y termostatos 38 Tabla No.2.Capacidades y medidas de aire acondicionado portátil.

Sistema de aire acondicionado Thermofire. En verde se muestra el interruptor de mando de la aire acondicionado, este es el que el usuario tiene a mano dentro de la cabina de pasajeros. Diagramas y Manuales de Servicio de Aire acondicionado

Diagrama Conexion Aire Acondicionado. MANUAL BÁSICO DE SISTEMAS DE AIRE ACONDICIONADO Y EXTRACCIÓN MECÁNICA DE USO COMÚN EN ARQUITECTURA LISTA DE TABLAS Tabla No.1.Capacidades y medidas de aire acondicionado compacto. Este documento contiene varios diagramas mecánicos y eléctricos de sistemas de mini Split y Split de ducto